Pestillo suelo automático para puertas batientes automáticas.
Enclavamiento automático para puertas batientes abatibles de dos hojas.
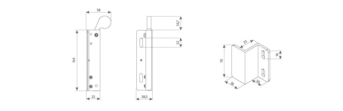
El pestillo a suelo se situa en la hoja que cierra en primer lugar, y un chapón situado en la segunda hoja, al cerrar esta, presiona el mecanismo haciendo salir el émbolo, el cual se clava en el suelo, aportando un ajuste compacto al conjunto de la puerta, y evitando que las hojas se abran. Se recomienda el uso de una cerradura eléctrica para conseguir un cierre más seguro aún.
MEDIDAS:










Valoraciones
Aún no hay reseñas